MICROSWITCH SERIE MP300

A miniature IP67 microswitch with a service range up to 170°C and stainless steel levers, for a wide range of applications, including those in the most hostile industrial environments. The MP300 Series features unparalleled flexibility in terms of levers and standard telescopic plungers. Together with the option of manufacturing customized actuators, the applications are virtually unlimited.
|
Descriptions |
| Approvals |
EN/UL 61058-1, UL file E314075 Upon request: CSA C22.2, ATEX II3d/Ex t IIIB 84°C Dc |
| Housing | Glass fiber reinforced |
| Plunger | PPS |
| Membrane | Fluorsilicone elastomer, other material upon request |
| Mechanism Contacts | Change-over, Snap-action with blade in Beryllium Copper |
| Contact material | Fine Silver, Gold contact upon request |
| Termination |
Cable and Leads: Standard 0.75 mm2 / 19 AWG PVC -20°C to 105°C - EN/UL Certification PUR -40°C to 90°C - EN/UL Certification SI -40°C to 130°C - EN Certification PTFE -40° to 170°C - EN Certification Other material upon request |
| Cable outlet |
Standard side of button Other side upon request |
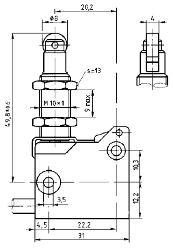
| Actuator | Overall dimensions in stainless steel |
| Degree of protection |
IP67 |
| Class of protection | II |
| Micro-switch | µ |
| Contact-gap | 0.80 mm |
| Dimensions |
DIN 41 635, form A 31 x 24 x 10.3 mm |
| Power rating Resistive Load |
250VAC / 6A |
| Operating range force | 1.3 to 4.0 N, depending actuator |
|
Operating temperature range (cable choice may lower temperature) |
EN 61058 -40°C to +130°C depending cable (+170°C upon request) UL 61058 -40°C to +130°C (upon request) EN 60079 (ATEX) -15°C to +80°C (upon request) CSA - C22.2 T amb. (upon request) |
| Mechanical life | 50 x 106 |
| Standards |
EN61058 50'000 cycles UL61058 50'000 cycles CSA C22.2 6'000 cycles |
| MP310 | MP320 |
![]() |
![]() |
|
Actuator |
| Type 0 : Basic switch | ||
![]() |
Actuating Force Fa max. (N) Release Force Fr min (N) Free Position Pr (mm) Operating Position Pa (mm) Over-travel sr min. (mm) Differential movement sd max. (mm) |
4.0 1.0 15.3 ± 0.3 14.7 ± 0.2 0.20 0.05 |
| Type 1MS27 : Telescopic plunger | ||
![]() |
Actuating Force Fa max. (N) Release Force Fr min (N) Free Position Pr (mm) Operating Position Pa (mm) Over-travel sr min. (mm) Differential movement sd max. (mm) |
4.0 1.0 27.7 ± 0.6 27.2 ± 0.3 2.0 0.1 |
| Type 1M : Telescopique plunger, thread | ||
![]() |
Actuating Force Fa max. (N) Release Force Fr min (N) Free Position Pr (mm) Operating Position Pa (mm) Over-travel sr min. (mm) Differential movement sd max. (mm) |
4.0 1.0 50.3 ± 0.6 49.7 ± 0.3 5.0 0.1 |
| Type 1ML : Telescopic with roller, thread - upon request transversal roller | ||
![]() |
Actuating Force Fa max. (N) Release Force Fr min (N) Free Position Pr (mm) Operating Position Pa (mm) Over-travel sr min. (mm) Differential movement sd max. (mm) |
4.0 1.0 49.8 ± 0.6 49.3 ± 0.3 5.0 0.1 |
| Type 3MA : Stiff lever - reverse action - Upon request lever outside of switch | ||
![]() |
Actuating Force Fa max. (N) Release Force Fr min (N) Free Position Pr (mm) Operating Position Pa (mm) Over-travel sr min. (mm) Differential movement sd max. (mm) |
2.5 1.0 26.0 ± 1.0 24.2 ± 0.6 2.5 0.8 |
| Type 5MAL : Stiff roller-lever - reverse action - Upon request lever outside of switch, Stainless steel roller | ||
![]() |
Actuating Force Fa max. (N) Release Force Fr min (N) Free Position Pr (mm) Operating Position Pa (mm) Over-travel sr min. (mm) Differential movement sd max. (mm) |
3.0 1.0 35.6 ± 1.0 34.0 ± 0.6 2.5 0.8 |
| Type 6MAL : Stiff tip-action roller - reverse action - Upon request lever outside of switch, Stainless steel roller | ||
![]() |
Actuating Force Fa max. (N) Release Force Fr min (N) Free Position Pr (mm) Operating Position Pa (mm) Over-travel sr min. (mm) Differential movement sd max. (mm) |
3.0 1.0 41.5 ± 1.0 39.8 ± 0.6 2.5 0.8 |
| Type 7M : Stiff lever - direct action | ||
![]() |
Actuating Force Fa max. (N) Release Force Fr min (N) Free Position Pr (mm) Operating Position Pa (mm) Over-travel sr min. (mm) Differential movement sd max. (mm) |
1.3 0.3 19.0 ± 1.0 16.5 ± 0.8 0.5 0.8 |
| Type 8ML25 : Stiff roller - lever - direct action - Upon request Stainless steel roller | ||
![]() |
Actuating Force Fa max. (N) Release Force Fr min (N) Free Position Pr (mm) Operating Position Pa (mm) Over-travel sr min. (mm) Differential movement sd max. (mm) |
4.0 1.0 26.5 ± 1.0 25.7 ± 0.3 0.2 0.1 |
| Standard wiring diagram |
| Code Actuator | Diagram | Color | |
| Direct action |
0 1MS27 1M 1ML 7M 8ML25 |
![]() |
1 : Brown 2 : Black 4 : Blue |
| Reverse action |
3M 5MAL 6MAL |
![]() |
| Ordering information |
| MP3 | 2 | 0 | - | 8ML25 | / | 375 | / | 100 | PVC | |
|
Housing 1: without lever 2: with lever |
||||||||||
|
Contact material 0: Silver contact 1: Gold contact |
||||||||||
|
Actuator 0: Basic switch - pin plunger 1MS27 : Plunger 1M : Plunger, thread 1ML : Roller plunger, thread 3MA : Lever - reverse action 5MAL : Roller lever - reverse action 6MAL : Stiff roller lever - reverse action 7M : Direct action lever 8ML25 : Direct action roller lever |
||||||||||
|
375 : 3 Wires section 0.75 mm2 / 19 AWG |
||||||||||
|
Length of cable 200 : Length 2m 400 : Length 4m |
||||||||||
|
Material of cable PVC : Polyvinyl Chloride PUR : Polyurethane SI : Silicone |












